Filtr wody skośny osadnikowy z magnesem 1/2''
Opis
MOSIĘŻNY FILTR OSADNIKOWY Z WBUDOWANYM MAGNESEM 1/2''
Produkt firmy CIMBERIO
Numer katalogowy: 74AOT15
Filtr standardowo wyposażony jest we wkład wielokrotnego użycia z siatki ze stali nierdzewnej (500 µm).
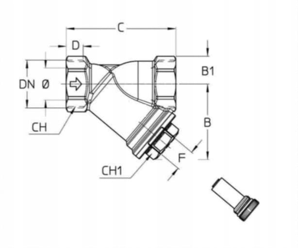
Dane techniczne:
- Wymiary: podane w tabeli do schematu
- Średnica gwintu: 1/2"
- Temperatura pracy: od -10°C do + 150°C
- Maksymalne ciśnienie: 20 bar
- Tworzywo korpusu: mosiądz
- Tworzywo wkładu: stal nierdzewna, mikron wkładu: 500
- Materiał oringu (uszczelki): EPDM (termopolimer etylenowo-propylenowo-dienowy)
- Ilość oringów pod głowicą: 1
Działanie:
Działanie filtrów magnetycznych polega na dwuetapowym oczyszczaniu wody przepływającej przez filtr: mechanicznym i magnetycznym. Strumień wody wpływający do wnętrza filtru kierowany jest do przestrzeni oddziaływania pola magnetycznego. Stos magnetyczny wytwarza pole rzędu 0,1 T na zewnątrz obwodu magnesów, które powoduje przyciąganie produktów korozji. Między magnesami, w tzw. pułapkach magnetycznych, gdzie pole jest silniejsze - rzędu 0,5 T następuje wychwytywanie drobin szlamu magnetycznego, rozproszonych w wodzie. Zanieczyszczenia, które nie są podatne na oddziaływanie pola magnetycznego oddzielane są w sposób mechaniczny na siatce filtracyjnej.
